Annak érdekében, hogy megkönnyítsük látogatóinknak a webáruház használatát, oldalunk cookie-kat használ. Weboldalunk böngészésével Ön beleegyezik, hogy számítógépén / mobil eszközén cookie-kat tároljunk. A cookie-khoz tartozó beállításokat a böngészőben lehet módosítani.

bendula@bendula.hu

+421 918 842 272

sk

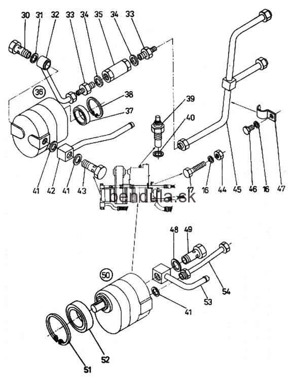
Kezdőlap » LKT ALKATRÉSZEK » HIDRAULIKA » Kormányszivattyú » hidraulik kormányszivattyú


        

hidraulik kormányszivattyú

 

Cikkszám: 1605
Ár (nettó) : 123 400 HUF
Ár (bruttó) (27 %):
156 718 HUF

Vásárolni kívánt mennyiség:
  db  

pozíció 36

Výhody nových čerpadiel rady Q2 oproti radám UN (1605):

- nový desing - presnejšie ozubenie, dlhšia životnos a nižšia hlučnos

- čerpadlo rady Q2 je oproti UN menšie (celkovo kompaktnejšie),

- umožňuje využitie vyšších pracovných tlakov do 240 bar (UN do 200bar) pri vysokej prietokovej účinnosti,

- použitelnos od nižších otáčok 350  1/min (UNII 600  1/min).  

OWMwZTMzZj